Productoverzicht
| RVE35-serie zonnepomp VFD | | |
| | DC/AC-INGANG | |
| | Verfijnd ontwerp | |
| | MPPT | |
| Parametrisch | ||
| Model | RVE35-T3-0R7GB ~ RVE35-T3-4GB |
| Spanning | 350VDC tot 800/900VDC ingang, 3PH 380VAC tot 440VAC ingang | |
| P-nominaal (kW) | 0,75/1,5/2,2/4 | |
| Nominale stroom (A) | 2,5/3,7/5/10/13 | |
| MPPT Vmp/Voc | 540/660 | |
| Afmetingen (mm) | 187*86*152 | |
Applicatie Achtergronden
| In de afgelopen jaren, met de toenemende ernst van het mondiale ‘voedselprobleem’ en ‘energieprobleem’, zijn zonnewaterpompen geleidelijk geprezen als de effectieve industriële integratieproducten om het probleem op te lossen van het vergroten van de productie van effectief gecultiveerd land en het vervangen van fossiele energie door schone energie. Als gevolg hiervan werd een opkomend economisch model geboren waarin de zonne-energie-industrie zich ontwikkelde in combinatie met traditionele industrieën zoals waterbehoud in de landbouw, woestijnbeheersing, huishoudelijk watergebruik en stedelijk waterlandschap. |
Producteigenschappen
• Maximale Power Point Tracking (MPPT) met hoge responssnelheid en stabiele werking
• Droogloopbeveiliging (onder belasting).
• Maximale stroombeveiliging van de motor
• Ingangsstroombeveiliging
• Bescherming tegen lage stopfrequentie
• De prestatiecurve PQ (vermogen/stroom) maakt het mogelijk het debiet van de pomp te berekenen
• Digitale besturing voor volautomatische bediening, gegevensopslag en beveiligingsfuncties
• Intelligente voedingsmodule (IPM) voor het hoofdcircuit
• LED-display, bedieningspaneel en ondersteunende afstandsbediening
• Dual mode AC- en DC-voedingsingang is beschikbaar
• Laagwatersondesensor en waterniveaucontrolefunctie
• Omgevingstemperatuur bij gebruik: -10 tot 50˚C.
| Verfijnd ontwerp Installatieoppervlak verminderd met 50% Volume verminderd met 30% | |
| | De volautomatische drievoudige verfcoatingmachine wordt gebruikt om de beschermlaag van de printplaat dikker te maken, waardoor schade aan de printplaat door windstof, corrosief gas en vochtige lucht effectief wordt voorkomen. |
| | Gebruik volautomatische detectieapparatuur om verschillende elektrische indicatoren en beveiligingsfuncties van producten onder nominale belasting te testen. |
| | Alle afgewerkte producten worden 48 uur onder belasting verouderd bij een hoge temperatuur van 60 graden, en vervolgens worden alle elektrische indicatoren onder belasting getest om het uitvalpercentage van het product te verminderen. |
Modelnomenclatuur
Algemeen type S2-serie:
Vmp 310VDC of 220VAC ingang, 1/3 fase 0-220VAC uitgang
| Model | Nominale stroom (A) | Uitgangsspanning (VAC) | Toepasbaar voor vermogenspompen (kW). | Extern van schijfgrootte H*B*D (mm) | MPPT Vmp/Voc |
| RVE35-S2-0R7G | 4 | 0-220 | 0.75 | 187*86*152 | 310/372 |
| RVE35-S2-1R5G | 7 | 0-220 | 1.5 | ||
| RVE35-S2-2R2G | 10 | 0-220 | 2.2 | ||
| RVE35-S2-3G | 13 | 0-220 | 3 | 265*105*164 | |
| RVE35-S2-4G | 16 | 0-220 | 4 |
Algemeen type T3-serie:
Vmp540 tot 650VDC of 380 tot 460VAC ingang, 3 fase 0-380/460VAC uitgang
| Model | Nominale stroom (A) | Uitgangsspanning (VAC) | Toepasbaar voor vermogenspompen (kW). | Extern van schijfgrootte H*B*D (mm) | MPPT Vmp/Voc |
| RVE35-T3-0R7GB | 2,5/3,7 | 0-380/440 | 0.75 | 187*86*152 | 540/660 |
| RVE35-T3-1R5GB | 3,7/5 | 0-380/440 | 1.5 | ||
| RVE35-T3-2R2GB | 5/10 | 0-380/440 | 2.2 | ||
| RVE35-T3-4GB | 10/13 | 0-380/440 | 4.0 | ||
| RVE35-T3-5R5GB | 13/16 | 0-380/440 | 5.5 | 265*105*164 | |
| RVE35-T3-7R5GB (kunststof behuizing) | 16/25 | 0-380/440 | 7.5 | ||
| RVE35-T3-7R5GB (ijzeren behuizing) | 16/25 | 0-380/440 | 7.5 | 333*150*216 | |
| RVE35-T3-11GB | 25/32 | 0-380/440 | 11 | ||
| RVE35-T3-15GB | 32/38 | 0-380/440 | 15 | ||
| RVE35-T3-18GB | 38/45 | 0-380/440 | 18 | 383*180*228 | |
| RVE35-T3-22GB | 45/60 | 0-380/440 | 22 | ||
| RVE35-T3-30GB | 60/75 | 0-380/440 | 30 | 435*175*265 | |
| RVE35-T3-37GB | 75/90 | 0-380/440 | 37 | ||
| RVE35-T3-45G | 90/110 | 0-380/440 | 45 | 670*265*358 | |
| RVE35-T3-55G | 110/150 | 0-380/440 | 55 | ||
| RVE35-T3-75G | 150/170 | 0-380/440 | 75 | ||
| RVE35-T3-90G | 170/210 | 0-380/440 | 90 | 845*305*358 | |
| RVE35-T3-110G | 210A/250 | 0-380/440 | 110 | ||
| RVE35-T3-132G | 250A/300 | 0-380/440 | 132 | ||
| RVE35-T3-160G | 300A/340 | 0-380/440 | 160 | 788*500*360 | |
| RVE35-T3-185G | 340/380 | 0-380/440 | 185 | ||
| RVE35-T3-200G | 380/415 | 0-380/440 | 200 | 900*540*358 | |
| RVE35-T3-220G | 415/470 | 0-380/440 | 220 | ||
| RVE35-T3-250G | 470/520 | 0-380/440 | 250 | ||
| RVE35-T3-280G | 520/600 | 0-380/440 | 280 | 1035*620*400 | |
| RVE35-T3-315G | 600/680 | 0-380/440 | 315 | ||
| RVE35-T3-355G | 680/750 | 0-380/440 | 355 | 1290*780*410 | |
| RVE35-T3-400G | 750/810 | 0-380/440 | 400 |
Uitstekende prestaties
| | Hoogwaardige vectorcontrole om de nauwkeurigheid van de apparatuur te verbeteren |
| De maximale uitgangsfrequentie onder vectorregeling bereikt 1500 Hz, wat een zeer nauwkeurige snelheidsoutput kan bereiken binnen het 1o-voudige zwakke magnetische snelheidsregelbereik. | |
| | |
| | Perfecte aandrijving voor synchrone motoren |
| Stroomgolfvorm van synchrone motor in vectorregelmodus met open lus bij 500 Hz met 100% nominale belasting. | |
| | |
| | Betrouwbaar ontwerp voor warmteafvoer |
| De onafhankelijke dubbele luchtkanaalontwerptechnologie kan het gebruik van de zonnepompaandrijving met een ringtemperatuur van 50 ℃ realiseren zonder capaciteitsvermindering. |
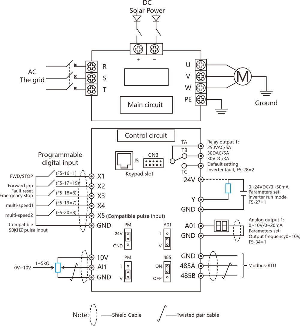
Bedradingsschema
Houd bij RVE35-producten van 0,75 kW tot 7,5 kW rekening met het volgende:
1. Het product bevat geen X6- en X7-logische ingangsterminals;
2. Het product bevat slechts 1 analoge ingang, 1 analoge uitgang en 1 relaisuitgang










































